Results for lathe machine

Showing 1 - 10 of 91
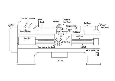
Lathe Machine Diagram

Lathe Machine Diagram

lathe machine diagramlathe machine parts diagram (2009)

A lathe machine diagram provides a visual representation of the machine's different components and their functions. Understanding the diagram is crucial for operating, maintaining, and troubleshooting issues with a lathe. This resource explains key parts like the headstock, tailstock, carriage, and tool post, enabling users to effectively utilize this powerful metalworking tool. Explore our diagrams to gain a comprehensive understanding of lathe machine operation.

Lathe Working Principle Engine

Lathe Working Principle Engine

lathe working principlehow does a lathe work (2014)

The lathe working principle involves rotating a workpiece about its axis while a stationary cutting tool is fed into the material, removing chips to achieve the desired shape. Essentially, this versatile machine tool performs various operations like turning, facing, drilling, and threading, transforming raw material into precision components. Understanding how a lathe works is crucial for effective metalworking and machining operations, relying on the coordinated movement of its main components to achieve accurate material removal.

A Science Of Operations Machines Logic And The Invention Of Programming

A Science Of Operations Machines Logic And The Invention Of Programming

programming inventionoperations logic (1995)

Delve into the foundational science of operations, the intricate logic applied to machines, and the pivotal moments that led to the invention of programming. This exploration covers the intellectual journey from abstract computational principles to the tangible creation of software, marking a crucial era in technological development and computer science.

Five Hundred And Seven Mechanical Movements

Five Hundred And Seven Mechanical Movements

mechanical movements507 movements (2011)

Explore the fascinating world of mechanical engineering with 'Five Hundred and Seven Mechanical Movements.' This compilation serves as a valuable resource for understanding how different mechanisms work, offering insights into the ingenious solutions developed over centuries to translate power and motion. Delve into the principles behind these movements and discover their application in various machines and devices.

microcut lathes operation manual

microcut lathes operation manual

microcut lathelathe operation (1992)

This comprehensive guide provides essential information for operating Microcut lathes effectively and safely. Learn about machine setup, programming, troubleshooting, and maintenance procedures to ensure optimal performance and longevity of your Microcut lathe. Download the complete operation manual for detailed instructions and best practices for maximizing productivity.

mazak engine lathe manual

mazak engine lathe manual

Mazak engine lathe manualMazak lathe manual (1997)

Find the Mazak engine lathe manual you need for operation, maintenance, or repair. This resource provides access to downloadable manuals, online documentation, and helpful guides to ensure your Mazak lathe operates efficiently and safely. Whether you're looking for a specific model or general information, this is your go-to place for Mazak lathe manuals.

Pattern Classification Computer Science Education Lab

Pattern Classification Computer Science Education Lab

pattern classificationcomputer science education (2001)

Explore the foundational concepts of pattern classification within our dedicated Computer Science Education Lab. This comprehensive resource provides students with hands-on experience in machine learning, offering practical insights into AI and crucial data science skills essential for future innovators.

Page 1 of 10
Randomized data view for Wiley component with images.