Results for k20 engine schematic

Showing 1 - 10 of 86
2006 isuzu npr engine diagram

2006 isuzu npr engine diagram

2006 Isuzu NPR engine diagramIsuzu NPR 2006 engine layout (1995)

Discover a comprehensive engine diagram for the 2006 Isuzu NPR, providing crucial visual guidance for maintenance, troubleshooting, and understanding component placement. This essential schematic helps mechanics and owners easily identify parts and trace systems for efficient service and repair of the Isuzu NPR diesel engine.

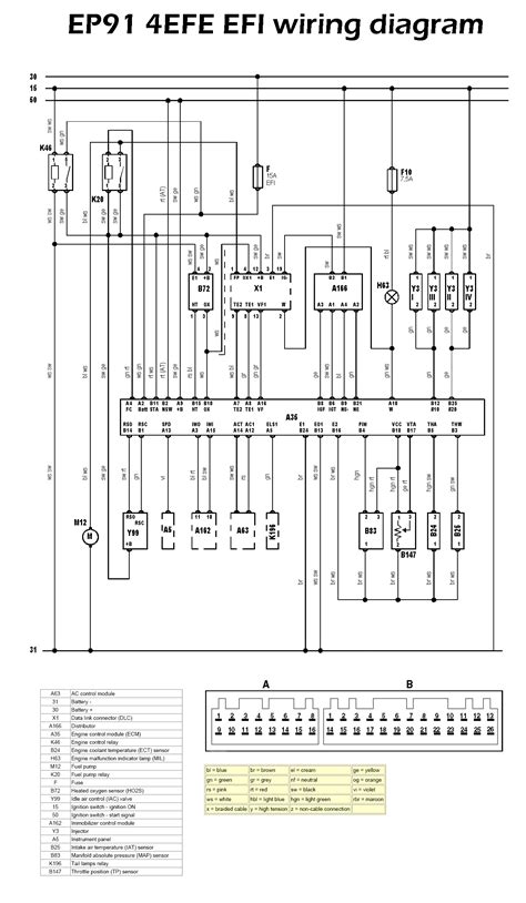
ford 2 0 tdi 120kw engine diagram

ford 2 0 tdi 120kw engine diagram

ford 2.0 tdi 120kw engineengine diagram ford (1991)

Explore a detailed engine diagram for the Ford 2.0 TDI 120kW engine, providing a clear visual representation of its internal components and overall layout. This essential resource is ideal for mechanics, enthusiasts, or anyone needing to understand the intricate structure and connections of this specific 120kW diesel engine, aiding in diagnostics, repair, and assembly.

Crusader 454 Marine Engine Diagram

Crusader 454 Marine Engine Diagram

Crusader 454 marine engineCrusader 454 diagram (2020)

Explore detailed visual references for the Crusader 454 marine engine with our comprehensive diagram. This essential resource provides an exploded view, component layout, and critical routing information, making it invaluable for maintenance, troubleshooting, and understanding your Crusader 454 engine's complex systems. Perfect for mechanics and boat owners seeking accurate engine schematics.

Dodge Engine Wiring Neon Diagram 96

Dodge Engine Wiring Neon Diagram 96

dodge neon wiring diagram1996 neon engine wiring (2014)

Access the comprehensive engine wiring diagram for the 1996 Dodge Neon, detailing all electrical connections, sensor layouts, and harness routing. This essential resource helps troubleshoot electrical issues, identify component locations, and perform repairs on your '96 Neon's engine system with accuracy and ease.

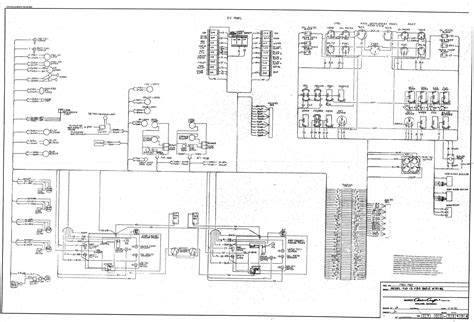
Chris Craft 1981 Engine Wiring Diagram

Chris Craft 1981 Engine Wiring Diagram

Chris Craft 1981 engine wiring1981 Chris Craft electrical diagram (2022)

Access the essential Chris Craft 1981 engine wiring diagram to assist with maintenance, repair, and troubleshooting of your vintage marine engine. This detailed schematic provides crucial electrical system information, ensuring you can confidently identify components and resolve any wiring issues for your 1981 Chris Craft boat.

Toyota Camry V6 Engine Diagram

Toyota Camry V6 Engine Diagram

Toyota Camry V6V6 Engine Diagram (2002)

Looking for a detailed Toyota Camry V6 engine diagram? This page offers resources to help you understand the V6 engine components, find accurate engine schematics for maintenance, and potentially troubleshoot common issues. Whether you are performing repairs or simply want to learn more about your Camry's engine, you'll find relevant information here about the V6 engine.

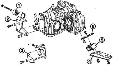
Mk3 Engine Diagram Golf 94 Vw

Mk3 Engine Diagram Golf 94 Vw

VW Golf Mk3 engine diagram1994 Golf engine parts (2002)

Explore a comprehensive engine diagram for your 1994 VW Golf Mk3, providing a detailed visual guide to all major components and their arrangement. This essential resource is perfect for understanding the Golf 3's powerplant, aiding in maintenance, repair, or educational purposes. Get a clear overview of the engine's intricate layout and connections.

Page 1 of 9
Randomized data view for Wiley component with images.